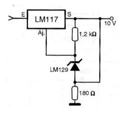
El circuito de la figura proporciona una salida de precisión estabilizada en 10 V y hace uso de un regulador de tensión LM117 de National Semiconductor. El circuito integrado debe montarse en un buen radiador de calor. El zener también es de National Semiconductor. El circuito debe ser alimentado por una tensión por lo menos 3 V mayor que la tensión de salida.




