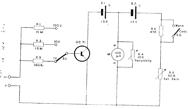
Este es un voltímetro con alta resistencia de entrada. El transistor es de germanio. Lo encontramos en una publicación inglesa de los años 60.

Voltímetro con transistor
Este es un voltímetro con alta resistencia de entrada. El transistor es de germanio. Lo encontramos en una publicación inglesa de los años 60.
