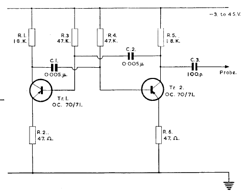
Encontrado en una publicación en inglés de 1967, este circuito genera señales de 5 kHz con armónicos que se extienden más allá de los 2 MHz. El circuito utiliza transistores de germanio de la época.

Inyector de señal
Encontrado en una publicación en inglés de 1967, este circuito genera señales de 5 kHz con armónicos que se extienden más allá de los 2 MHz. El circuito utiliza transistores de germanio de la época.
