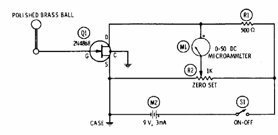
Encontramos este circuito en una documentación sobre FET de 1977. El circuito admite la utilización de otros FET como el BF245. El instrumento puede ser sustituido por la escala más baja de corrientes de un multímetro analógico común.

Encontramos este circuito en una documentación sobre FET de 1977. El circuito admite la utilización de otros FET como el BF245. El instrumento puede ser sustituido por la escala más baja de corrientes de un multímetro analógico común.
