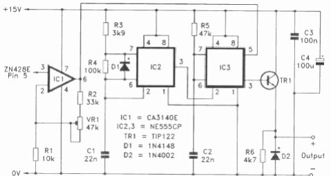
Este circuito se encontró en una documentación de PC de 1996. La corriente máxima del motor está determinada por el transistor.

Control de motor pulsante
Este circuito se encontró en una documentación de PC de 1996. La corriente máxima del motor está determinada por el transistor.
