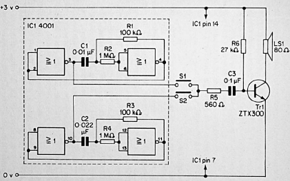
Este circuito se encontró en una publicación de 1991. El transistor puede ser de propósito general.
De la misma manera que la señal de la salida del transistor puede ser re aplicado a su entrada...
Una solución interesante para sistemas de comunicación rápida, aviso de funcionamiento,...
Pruebe componentes y circuitos con un simple probador de continuidad o prueba de continuidad. Este circuito...