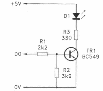
Encontrado en una documentación de PC, este circuito controla los LED cuya corriente está determinada por R3.
De la misma manera que la señal de la salida del transistor puede ser re aplicado a su entrada...
Una solución interesante para sistemas de comunicación rápida, aviso de funcionamiento,...
Pruebe componentes y circuitos con un simple probador de continuidad o prueba de continuidad. Este circuito...