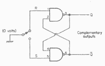
Este circuito aparece en varios puntos de nuestro sitio, incluso se utiliza en proyectos prácticos. El circuito es TTL y debe ser alimentado con 5 V.

Llave anti repique con el 7400
Este circuito aparece en varios puntos de nuestro sitio, incluso se utiliza en proyectos prácticos. El circuito es TTL y debe ser alimentado con 5 V.
