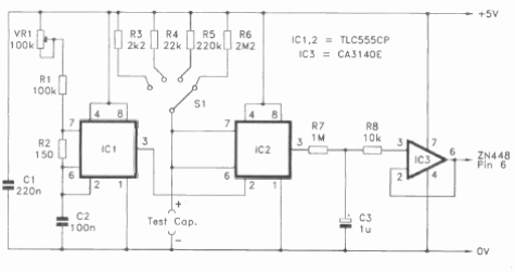
El circuito que se presenta es una interfaz o escudo para medir capacitancias con la PC. Lo encontramos en una documentación en inglés de 1996.

Capacímetro con PC
El circuito que se presenta es una interfaz o escudo para medir capacitancias con la PC. Lo encontramos en una documentación en inglés de 1996.
