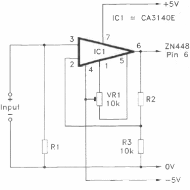
Este circuito de PC que también se puede usar con microcontroladores se encontró en una documentación en inglés de 1992. La fuente debe ser simétrica.

Circuito para sensor de alta impedancia
Este circuito de PC que también se puede usar con microcontroladores se encontró en una documentación en inglés de 1992. La fuente debe ser simétrica.
