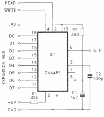
Indicado para aplicaciones con PC, este circuito fue obtenido en una publicación inglesa de 1992. El circuito integrado ZN448E no es común hoy en día.

Convertidor analógico a digital
Indicado para aplicaciones con PC, este circuito fue obtenido en una publicación inglesa de 1992. El circuito integrado ZN448E no es común hoy en día.
