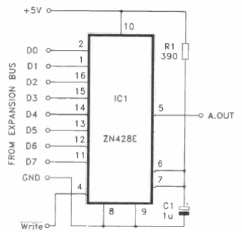
Indicado para aplicaciones con PC, este circuito se encuentra en una documentación en inglés de 1992. El circuito integrado ZN428 utilizado no es común hoy en día.

Convertidor digital a analógico
Indicado para aplicaciones con PC, este circuito se encuentra en una documentación en inglés de 1992. El circuito integrado ZN428 utilizado no es común hoy en día.
