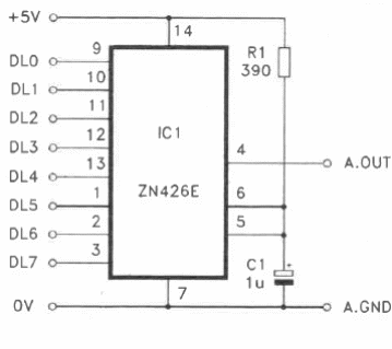
Este circuito PC TTL se encontró en una documentación en inglés de 1992. El circuito integrado utilizado ZN426E no es común hoy en día.

Convertidor analógico a digital
Este circuito PC TTL se encontró en una documentación en inglés de 1992. El circuito integrado utilizado ZN426E no es común hoy en día.
