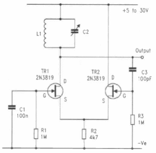
Este oscilador LC se encontró en la documentación en inglés de la década de 1990. Los JFET pueden ser equivalentes de propósito general.

Oscilador con 2 JFET
Este oscilador LC se encontró en la documentación en inglés de la década de 1990. Los JFET pueden ser equivalentes de propósito general.
