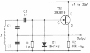
Este oscilador Colpitts con JFET tiene la amplitud de las señales estabilizadas por un diodo. El circuito es de una documentación inglesa de los años 90.

Oscilador Colpitts estabilizado
Este oscilador Colpitts con JFET tiene la amplitud de las señales estabilizadas por un diodo. El circuito es de una documentación inglesa de los años 90.
