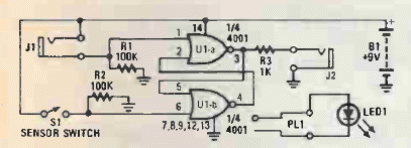
Este circuito es de una Popular Electronics de 1992. El circuito enciende un LED cuando se activa.
Esta aplicación es de un manual de circuitos de los años 90 y solo funciona con lámparas...
Este circuito, de una documentación de 1988, consiste en un control de temperatura automático que usa un...
Alimentado por 12 o 13.6 V, este transmisor tiene una potencia de salida del orden de 1 W, lo que...