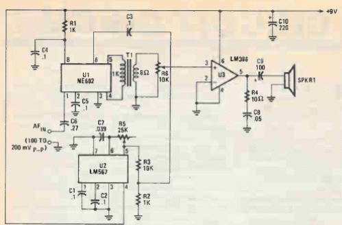
Este circuito lo encontramos en una Popular Electronics de 1992. Consiste en un codificador de voz utilizado en transmisiones telefónicas.

Codificador de voz
Este circuito lo encontramos en una Popular Electronics de 1992. Consiste en un codificador de voz utilizado en transmisiones telefónicas.
