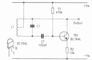
Encontrado en la documentación de los años 90, este oscilador funciona con cualquier transistor de propósito general. L1 y C1 determinan la frecuencia de operación que puede alcanzar decenas de megahertz.

Oscilador Hartley
Encontrado en la documentación de los años 90, este oscilador funciona con cualquier transistor de propósito general. L1 y C1 determinan la frecuencia de operación que puede alcanzar decenas de megahertz.
