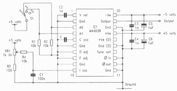
Este circuito se basa en el MAX038 de Maxim y consta de un generador de funciones completo. El circuito es de una documentación inglesa de los años 90.

Generador de funciones
Este circuito se basa en el MAX038 de Maxim y consta de un generador de funciones completo. El circuito es de una documentación inglesa de los años 90.
