Encontramos este circuito en una publicación antigua. El ICM7556 es un CMOS 555 dual. Los demás componentes son comunes. El rango de frecuencia depende de los capacitores.

Generador de funciones
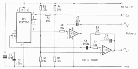
Encontramos este circuito en una publicación antigua. El ICM7556 es un CMOS 555 dual. Los demás componentes son comunes. El rango de frecuencia depende de los capacitores.
