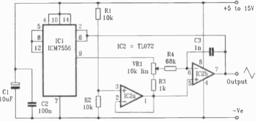
Utilizando el ICM7556, versión dual CMOS del 555, este circuito genera señales triangulares de 1 a 10 kHz. El rango está determinado por el capacitor C3 que se puede cambiar.

Generador variable triangular
Utilizando el ICM7556, versión dual CMOS del 555, este circuito genera señales triangulares de 1 a 10 kHz. El rango está determinado por el capacitor C3 que se puede cambiar.
