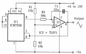
El circuito del oscilador es un ICM7556, la versión dual CMOS del 555. La frecuencia depende del condensador y para este circuito con 22 nF ronda los 1 kHz.

Generador triangular
El circuito del oscilador es un ICM7556, la versión dual CMOS del 555. La frecuencia depende del condensador y para este circuito con 22 nF ronda los 1 kHz.
