Este circuito se encontró en una publicación inglesa de 1995. El circuito admite otros amplificadores operacionales y la potencia es del orden de una fracción de watt.

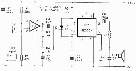
Amplificador Clase D
Este circuito se encontró en una publicación inglesa de 1995. El circuito admite otros amplificadores operacionales y la potencia es del orden de una fracción de watt.
