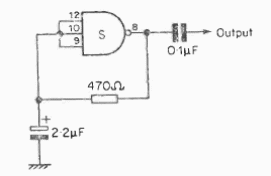
Este inyector simple proporciona señales cuyos armónicos se extienden en el rango de decenas de megahertz. La alimentación debe realizarse con 5 V.

Inyector TTL
Este inyector simple proporciona señales cuyos armónicos se extienden en el rango de decenas de megahertz. La alimentación debe realizarse con 5 V.
