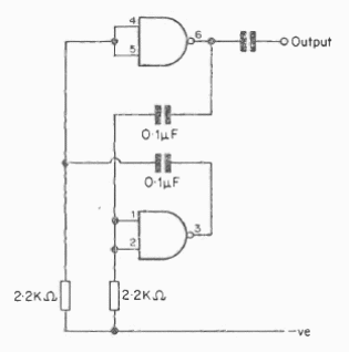
Este circuito simple debe ser alimentado con una tensión de 5 V. El circuito integrado es el 7400, pero se pueden usar otros puertos configurados como inversores.

Inyector de señal TTL
Este circuito simple debe ser alimentado con una tensión de 5 V. El circuito integrado es el 7400, pero se pueden usar otros puertos configurados como inversores.
