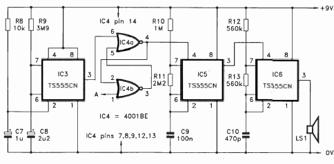
Este circuito se encontró en la documentación en inglés de 1995. El circuito se puede utilizar en muchas aplicaciones. El altavoz es de alta impedancia o tipo transductor.

Alarma modulada
Este circuito se encontró en la documentación en inglés de 1995. El circuito se puede utilizar en muchas aplicaciones. El altavoz es de alta impedancia o tipo transductor.
