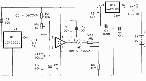
Este circuito lo encontramos en una documentación en inglés de 1995. Con él es posible medir una corriente a través del campo magnético que crea. El circuito utiliza un sensor Hall de la época.

Medidor de corriente Hall
Este circuito lo encontramos en una documentación en inglés de 1995. Con él es posible medir una corriente a través del campo magnético que crea. El circuito utiliza un sensor Hall de la época.
