Este oscilador de frecuencia fundamental de cristal puede funcionar a frecuencias de hasta unas pocas decenas de megahertz. El circuito debe ser alimentado con 5 V.

Oscilador XTAL 7400
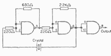
Este oscilador de frecuencia fundamental de cristal puede funcionar a frecuencias de hasta unas pocas decenas de megahertz. El circuito debe ser alimentado con 5 V.
