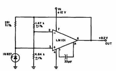
Esta referencia de voltaje de 8.2 V se encontró en una Electronic Design de 1968. El amplificador operacional es de la época, se pueden usar equivalentes modernos.

Referencia de 8V
Esta referencia de voltaje de 8.2 V se encontró en una Electronic Design de 1968. El amplificador operacional es de la época, se pueden usar equivalentes modernos.
