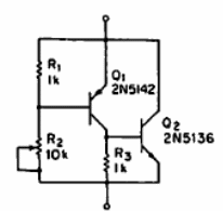
Encontrado en un EEE de 1970, este circuito emula un diodo Zener cuya tensión se puede establecer en R2. La alimentación depende de los transistores utilizados.

Zener ajustable
Encontrado en un EEE de 1970, este circuito emula un diodo Zener cuya tensión se puede establecer en R2. La alimentación depende de los transistores utilizados.
