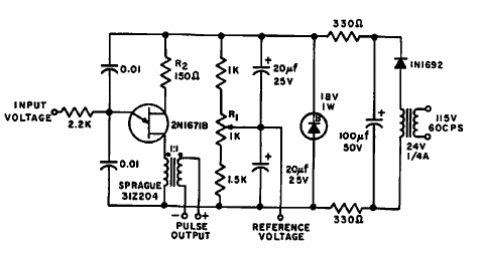
Este circuito se encontró en una documentación de General Electric de 1965. El propósito de este circuito es detectar cuando la tensión de entrada excede la tensión de referencia, generando así pulsos de salida.

Sensor de tensión
Este circuito se encontró en una documentación de General Electric de 1965. El propósito de este circuito es detectar cuando la tensión de entrada excede la tensión de referencia, generando así pulsos de salida.
