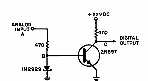
Encontrado en una Electronic Design de la década de 1960, este circuito proporciona una señal de la detección de una tensión analógica determinada por el diodo Zener.

Sensor de tensión analógica
Encontrado en una Electronic Design de la década de 1960, este circuito proporciona una señal de la detección de una tensión analógica determinada por el diodo Zener.
