Este circuito se encontró en una EEE de 1966. El circuito se puede implementar con transistores modernos de propósito general.

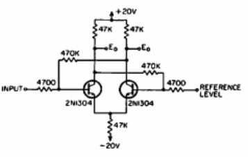
Detector de nivel de voltaje
Este circuito se encontró en una EEE de 1966. El circuito se puede implementar con transistores modernos de propósito general.
