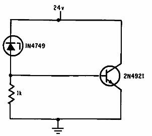
En la figura tenemos la forma de implementar un diodo zener de potencia. La tensión depende del zener y de la corriente máxima del transistor utilizado.

Zener de potencia
En la figura tenemos la forma de implementar un diodo zener de potencia. La tensión depende del zener y de la corriente máxima del transistor utilizado.
