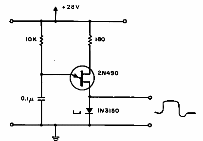
Con un transistor unijuntura y un diodo túnel es posible obtener tiempos de subida de 1 ns con el circuito que se muestra en la figura. El circuito es de una Electronic Design de 1965.

Tiempo de subida de 1 ns
Con un transistor unijuntura y un diodo túnel es posible obtener tiempos de subida de 1 ns con el circuito que se muestra en la figura. El circuito es de una Electronic Design de 1965.
