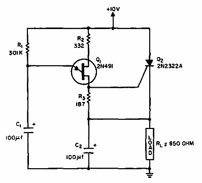
Este interruptor de retardo de 40 segundos se encontró en una Electronic Design de 1965. El transistor unijuntura podría ser el 2N2646 y el SCR un equivalente moderno sensible.

Interruptor de retardo
Este interruptor de retardo de 40 segundos se encontró en una Electronic Design de 1965. El transistor unijuntura podría ser el 2N2646 y el SCR un equivalente moderno sensible.
