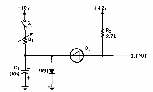
Este circuito se encontró en documentación antigua. D1 puede ser un diac.
Este circuito fue encontrado en una publicación americana de 1978. Emite un sonido si las luces...
Conseguimos este circuito en una publicación antigua de 1978. El circuito usa un fototransistor y un filtro de...
Este fue un instrumento muy popular en los talleres de los años 60 y 70. Era un "top de línea"...