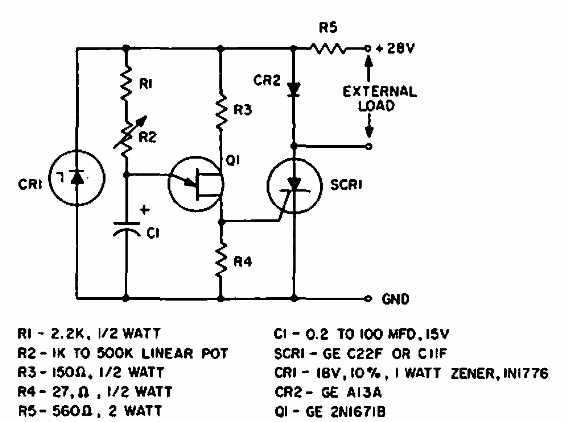
Este circuito se tomó del Manual de SCR de General Electric de 1967. El circuito puede usar prácticamente cualquier unijuntura y SCR según la carga.

Retardo con UJT y SCR
Este circuito se tomó del Manual de SCR de General Electric de 1967. El circuito puede usar prácticamente cualquier unijuntura y SCR según la carga.
