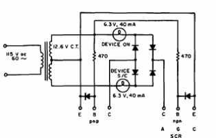
Este circuito se encontró en un antiguo manual estadounidense. Está diseñado para probar SCR y termistores utilizando lámparas indicadoras.

Prueba de termistores y SCR
Este circuito se encontró en un antiguo manual estadounidense. Está diseñado para probar SCR y termistores utilizando lámparas indicadoras.
