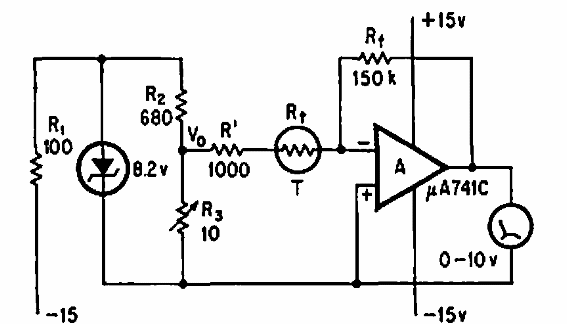
Este circuito sensor de temperatura se encontró en una antigua documentación estadounidense. Los componentes utilizados siguen siendo actuales.

Corrector de linealidad para termistor
Este circuito sensor de temperatura se encontró en una antigua documentación estadounidense. Los componentes utilizados siguen siendo actuales.
