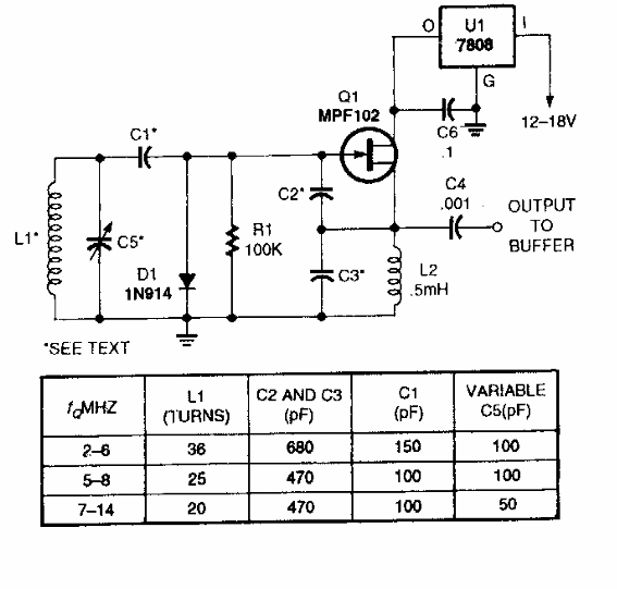
Este circuito fue encontrado en una Popular Electronics de los años 90. Las frecuencias dependen de los componentes indicados en la tabla al lado del diagrama.

VCO JFET
Este circuito fue encontrado en una Popular Electronics de los años 90. Las frecuencias dependen de los componentes indicados en la tabla al lado del diagrama.
