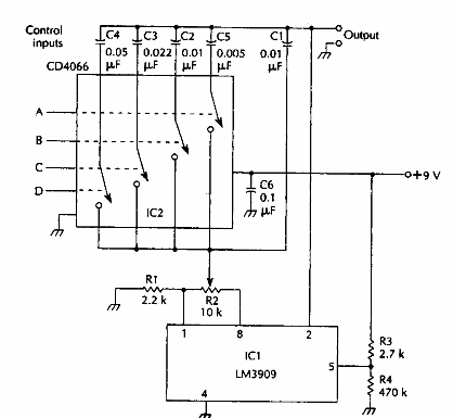
Encontrado en la documentación estadounidense de los años 90, este circuito tiene la frecuencia de señal determinada por capacitores de C4, C3, C2 y C5 seleccionados por interruptores digitales.

Oscilador rectangular controlado digitalmente
Encontrado en la documentación estadounidense de los años 90, este circuito tiene la frecuencia de señal determinada por capacitores de C4, C3, C2 y C5 seleccionados por interruptores digitales.
