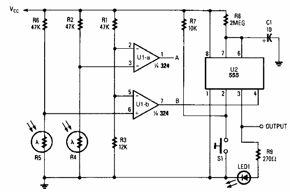
Encontramos este circuito en un antiguo Popular Electronics. El circuito es experimental, impulsando un LED a partir de señales aplicadas a los LDR. La fuente no tiene que ser simétrica.

Monoestable con control de luz
Encontramos este circuito en un antiguo Popular Electronics. El circuito es experimental, impulsando un LED a partir de señales aplicadas a los LDR. La fuente no tiene que ser simétrica.
