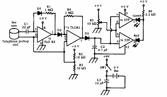
Este circuito monitorea campos de frecuencia ultrabaja (ELF). Lo encontramos en una documentación estadounidense de los años 90.

Monitor ELF
Este circuito monitorea campos de frecuencia ultrabaja (ELF). Lo encontramos en una documentación estadounidense de los años 90.
