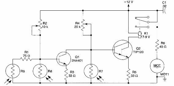
Encontrado en Popular Electronics desde los años 90, este circuito tiene como objetivo impulsar un panel solar, cambiando constantemente su posición para seguir el movimiento del sol.

Seguidor de sol para paneles solares
Encontrado en Popular Electronics desde los años 90, este circuito tiene como objetivo impulsar un panel solar, cambiando constantemente su posición para seguir el movimiento del sol.
