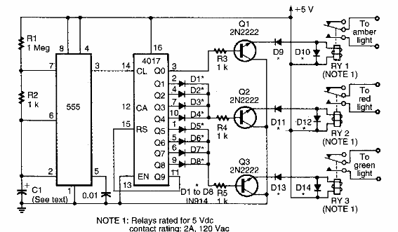
Este circuito de sistema de actuación de relé secuencial para semáforos se encontró en Electronics Now desde la década de 1990. Los relés son tipos sensibles de baja corriente.

Semáforo
Este circuito de sistema de actuación de relé secuencial para semáforos se encontró en Electronics Now desde la década de 1990. Los relés son tipos sensibles de baja corriente.
