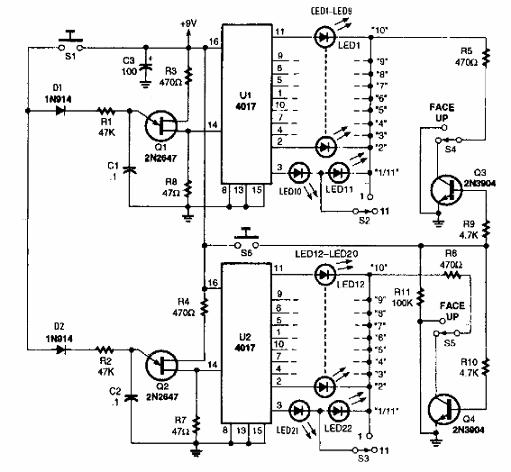
Encontrado en una Popular Electronics de los años 80, este circuito simula el juego de cartas equivalente. El circuito es CMOS y en realidad se puede alimentar con tensiones de 6 a 12 V.

Juego del 21
Encontrado en una Popular Electronics de los años 80, este circuito simula el juego de cartas equivalente. El circuito es CMOS y en realidad se puede alimentar con tensiones de 6 a 12 V.
