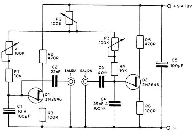
La frecuencia de modulación está dada por C1 y se controla con P1 La profundida de modulación está dada por P2. P3 controla la tonalidad del sonido, que también depende de C4. Las dos salidas posibles de este circuito se muestran con formas de onda en diente de Sierra.




