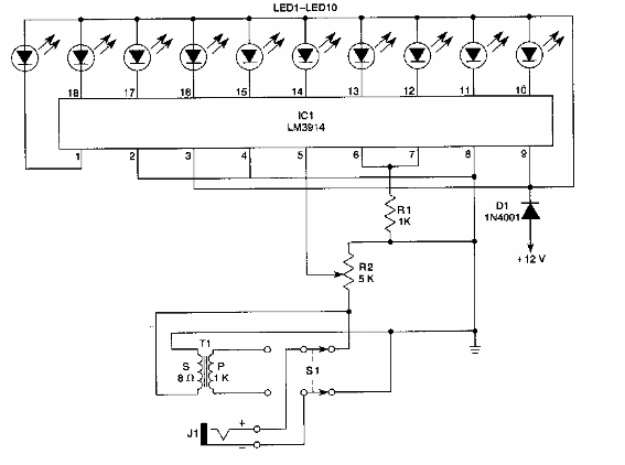
Encontrado en Electronics Now este circuito está indicado para funcionar a la salida de amplificadores de audio. El circuito se alimenta con 12 V del propio amplificador o de otra fuente.

Bargraph de audio
Encontrado en Electronics Now este circuito está indicado para funcionar a la salida de amplificadores de audio. El circuito se alimenta con 12 V del propio amplificador o de otra fuente.
