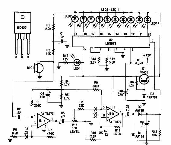
Este sonómetro o medidor de nivel sonoro se encontró en una Popular Electronics de los años 80. El circuito se puede implementar fácilmente en la actualidad y el micrófono es de electreto o cerámica.

Sonómetro
Este sonómetro o medidor de nivel sonoro se encontró en una Popular Electronics de los años 80. El circuito se puede implementar fácilmente en la actualidad y el micrófono es de electreto o cerámica.
